189-5288-0366
1375623672@qq.com
AM 8:30 - PM 18:00


咨询热线:
189-5288-0366

产品分类
PRODUCTS
.png)
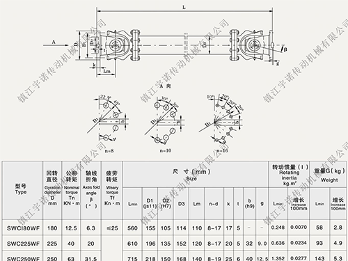
SWC-WF无伸缩法兰式万向联轴器
SWC-WF型(无伸缩法兰式)十字轴式万向联轴器有多种结构型式,例如:十字轴式、球笼式、球叉式、凸块式、球销式、球铰式、球铰柱塞式、三销式、三叉杆式、三球 销式、铰杆式等,最常用的为十字轴式,其次为球笼式,万向联轴器的共同特点是角向补偿量较大,不同结构型式万向联轴器两轴线夹角不相同,一般≤5°-45°之间。万向联轴器利用其机构的特点,使两轴不在同一轴线,存在轴线夹角的情况下能实现所联接的两轴连续回转,并可靠地传递转矩和运动。万向联轴器最 大的特点是具有较大的角向补偿能力,结构紧凑,传动效率高。在实际应用中根据所传递转矩大小分为重型、中型、轻型和小型。
所有规格尺寸均可来图定制!
Copyright © 2024-2028,www.zjyncd.com,All rights reserved 备案号:苏ICP备2022017548号-1
技术支持:江苏网博
1375623672@qq.com
189-5288-0366
江苏省镇江市丁卯工业园